产品概述:
TJT9706234202103有创血压传感器高频手术耦合网络是国际国内医疗器械注册检验配套设备,同时符合国家标准GB9706 YY9706和国际IEC60601标准要求。
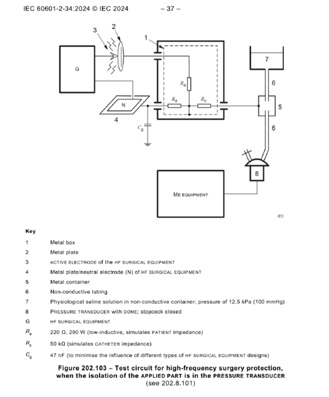
Ø 《YY 9706.234 有创血压监护设备的基本安全和基本性能专用要求》中图202.102要求
Ø 《IEC60601-2-34 Particular requirements for the basic safety and essential performance of invasive blood pressure monitoring equipment》中figure 202.103要求。
产品概述:
TJT9706234202103有创血压传感器高频手术耦合网络是国际国内医疗器械注册检验配套设备,同时符合国家标准GB9706 YY9706和国际IEC60601标准要求。
Ø 《YY 9706.234 有创血压监护设备的基本安全和基本性能专用要求》中图202.102要求
Ø 《IEC60601-2-34 Particular requirements for the basic safety and essential performance of invasive blood pressure monitoring equipment》中figure 202.103要求。
产品特性:
Ø 单端口传感器输出对应GB设计
Ø 金属屏蔽外壳
Ø 绝缘支撑
Ø 内置大功率无感电阻
Ø 4mm橡胶插座,支持直插
Ø 递进式设计,正面连接高频手术设备电极,背面连接被测医疗设备EUT
Ø 内置中性电极滤波电容47nF
Ø 支持GB和IEC
Ø 鳄鱼夹设计,便于快速连接导联线端子
技术参数:
Ø 无感功率电阻:220Ω/200W;模拟患者阻抗
Ø 导管电阻:50k ohm/模拟导管电阻
Ø 滤波电容:47nF
Ø 闭合开关:加载电源时闭合
图示:

应用:
1.TJT9706234202103有创血压监护高频手术耦合网络位于《YY 9706.234 有创血压监护设备的基本安全和基本性能专用要求》图202.104中 5所示。
2.TJT9706234202103有创血压监护高频手术耦合网络位于《IEC60601-2-34 Particular requirements for the basic safety and essential performance of invasive blood pressure monitoring equipment》图202.104中 5所示
